multiplex-rc-history
Ab 1970 bietet die Firma MULTIPLEX - ELEKTRONISCHE STEUERUNGEN, 7532 Niefern bei Pforzheim, Hauptstrasse 2 die Multiplex Royal Fernsteuerung an. Dies ist wichtig zu wissen, da sich der Firmenname von S.Kussmaul ing., 7532 Niefern, Luisenstrasse 58 geändert hat.
Zum besseren Verständnis der Multiplex Royal Fernsteuerungen, zeige ich Ihnen hier Ausschnitte aus dem Katalog von 1971. Wir werden anhand des Kataloges die Produkte dann näher kennenlernen. Auch alle technischen Daten sind im Katalog weitgehend aufgeführt.
Siehe auch das Logo zu dieser Firma :

Die Multiplex Royal:
Die Multiplex Royal Fernsteuerung hat ein modernes und pragmatisches Senderdesign bekommen. Das Sendergehäuse ist jetzt aus kunststoffkaschiertem Alublech an der Ober- und Unterseite gefertigt. die Seitenteile bestehen aus Kunststoffspritzteilen. Die Farbgebung ist weitgehend durch die Folienkaschierung vorgegeben. Ergänzt wird die Oberseite durch eine schwarze Bedruckung mit dem Namen, Schaltstellungen und Logodesign. Die Knüppelmechaniken sind grundlegend überarbeitet worden und zum Teil aus Kunststoff und Blechteilen. Die Mechanikbefestigung (Trichter) sind aus verchromten Kunststoff. Die Steuerknüppel sind variabel (kurz und lang) und austauschbar. Das Sendergehäuse kann als Bauchsender, als auch Handsender benutzt werden. Seitlich finden wir die Ladebuchse, die jetzt auch eine Lehrer/Schüler Funktion hat (Diodenstecker). Auf der Oberseite sind zu finden: ein Wechselquarz im HC 25 U Gehäuse, ein Aus/Ein Schalter, eine Spannungsanzeige, eine Antenne mit Verlängerungsspule und Kugelgelenk (DBGM), vier Trimmregler , eine Tragegurthalterung und zwei zusätzliche Steller für zwei Sonderkanäle.
Diese Entwicklung und Produktionsvorbereitung begann 1969 und dauerte 2 Jahre, um zu diesem Ergebnis zu kommen.
Die Multiplex Royal wurde anfangs in 4/6 Kanalausführung ab 1971 verkauft.
Die Zulassungsnummern der Anlagen waren wie folgt: FTZ. Nr.: F-70/71, PTT geprüft - Nr.841

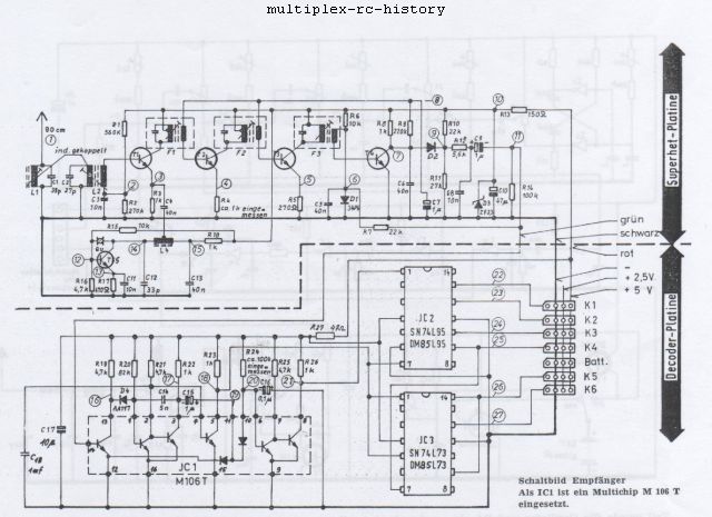
An dieser Stelle hätte man mit der Entwicklung von Fernsteuerungen aufhören können. Doch lassen Sie uns weiter schauen, was die Fa. Multiplex (S. Kussmaul) noch alles mit der MPX Royal eingeführt hat. Da ist der Empfänger zu nennen, der weitgehend in einem Gehäuse mit 2 Platinen untergebracht ist. Die Schaltungen auf den Platinen sind für die damalige Zeit durch die verwendeten integrierten Schaltkreise ein modernstes technisches Design gewesen. Eine ausführliche Testanalyse können Sie von Erich Rabe in der Zeitschrift "Modell" von April 1972 nachlesen.
IC Mikro Empfänger:

IC Mikro Servo:
Und zu guter letzt die vorgestellten IC Mikro Servos. Diese sind MPX Eigenentwicklungen und Eigenfertigungen, was in der Vergangenheit nicht der Fall war. Diese sind mit von außen verstellbarer Nulllage.

Multiplex Mini Servo:
Diese Servos wurden seit September 1968 mit den Digitron Fernsteuerungen ausgeliefert. Diese sind nicht Nulllage verstellbar.

Nach oben
Katalog von 1971:
Seite 1

Seite 2

Seite 3

Seite 12

Seite 13 (Man beachte den "Multiplex" Schriftzug auf der Rückseite dieser ist in grauer Schrift in einer schwarzen Umrahmung ausgeführt!)

Seite 14



Seite 15
Bem: Der abgebildete Empfänger hat noch nicht die Steckkontakte, die Multiplex dann ausgeliefert hat.

Empfänger:


Seite 16

Mikro Servo:


Seite 17

Seite 18

Seite 19

Ladegerät:

Seite 20

Seite 21

Nach oben
Besucherzähler Für Homepage